Втормаш

Трубчатая пастеризационная установка

Цена по запросу

Артикул: 080421-3

Описание

Производитель: Тетрапак

Тип: Therm Aseptic Drinck SA 11000

Производительность: 5720-11400 литров в час при 12 Brix

Серийный номер: 103366401-25

Год изготовления: 2004

Мощность: 22,5 кВт

Размеры (ДхШхВ): + 8,55х2,70х2,75 м

Вес: +2000 кг

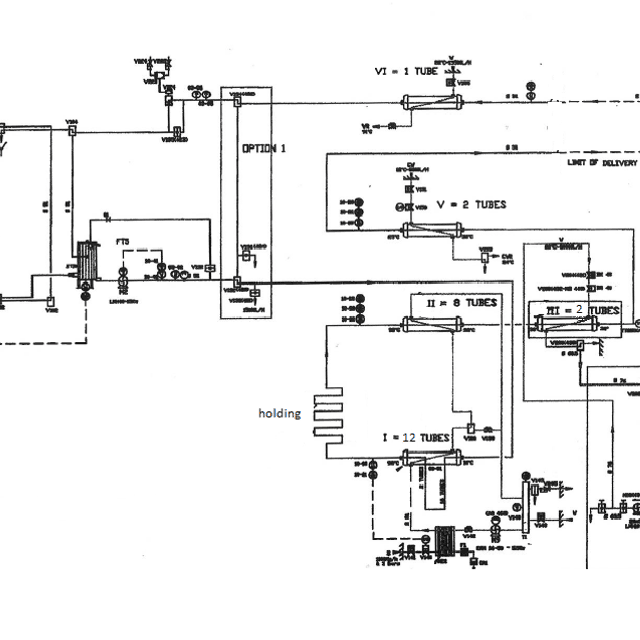
Трубчатая пастеризационная установка установлена на раме для сока или других жидких

продуктов питания. Рама с закрытым уравнительным танком, насос для продукта: Альфа

Лаваль (LKH- 113-SSS, многоуровневая до 13 бар). Циркуляционный насос для горячей

воды, Grundfos (CRN16-50) с 2 частотными преобразователями Danfoss для обоих

насосов, всех трубопроводов, регулирующих клапанов для продукта, пара и

охлаждающей воды, паропровода с предохранительным клапаном, манометром и

редуктором давления. Выдержка и панель управления с контролем Satt. Трубчатый

теплообменник расположен на отдельно стоящей раме с 25 трубками. Модель: Tetra

Spiraflo, тип: MT-108 / 19x16c-6-2, оболочка 108 мм, 19 шлангов длиной 16 мм, длина 6,0

м, давление продукта до 25 бар, объем системы теплообменника 432,5 л.

5 секций:

1) нагревание от 10 до 98 ° С через 12 трубок;

2) регенерационное охлаждение примерно до 35 ° C через 8 трубок;

3) Секция охлаждения 35 -> ± 25 ° C 3 трубки; 4) Секция охлаждения ледяной водой 25 °

C (до разливочной машины);

5) возврат кулера горячей воды 110 -> 95 ° С с подачей сырья, только во время

стерилизации машины перед производством. Возможно более высокое значение Brix, чем

12, но это приводит к снижению производительности.

Подпишись на рассылку от компании Втормаш, будь в курсе новых поступлений, акций и новостей

Нажимая кнопку подписаться Вы соглашаетесь с нашей политикой конфиденциальности